- Notre gamme
- Colonne de mesure, Trusquin & Marbre
- Machine à mesurer 3D & 2D
- Contrôle de fabrication des ressorts – Easydur
- Machines universelles de traction et de compression – Easydur
- Contrôle de produits alimentaires
- Mesure manuelle
- Couplemètre et accessoires
- Mesure d’angles – Mesure d’inclinaison – Mise à niveau
- Duromètre – Contrôle de dureté
- Mesure d’épaisseurs – Mesure de températures – Mesure de vitesses, de temps
- Duromètre spécial – Easydur
- Microscopes – Loupes stéréoscopiques
- Dynamomètre et accessoires
- Poids & Balances – Mesure de masse – Mesure de force – Mesure de couples
- Projecteur de profils
- Préparation d’échantillons métallographique – Métallographie
- Rugosimètre – Mesure d’états de surface / de profils
- Services
- La société
- Catalogues et promotions
- Documentations techniques
- Manuels d’utilisation
MX3 – Banc d’essai motorisé vertical traction-compression
Promotion jusqu'au 31/12/2025 !
Banc d’essai motorisé vertical traction-compression – Série MX-3
Le nouveau banc MX-3 permet une mesure de force hautement reproductible avec une grande
précision de la vitesse. Outre le réglage numérique de la vitesse et les fonctions compteur/
minuterie, il est également possible de contrôler le fonctionnement par la valeur de force.
(Câbles dédiés requis avec un dynamomètre compatible). Logiciel téléchargeable inclus offre une
aide efficace au réglage.
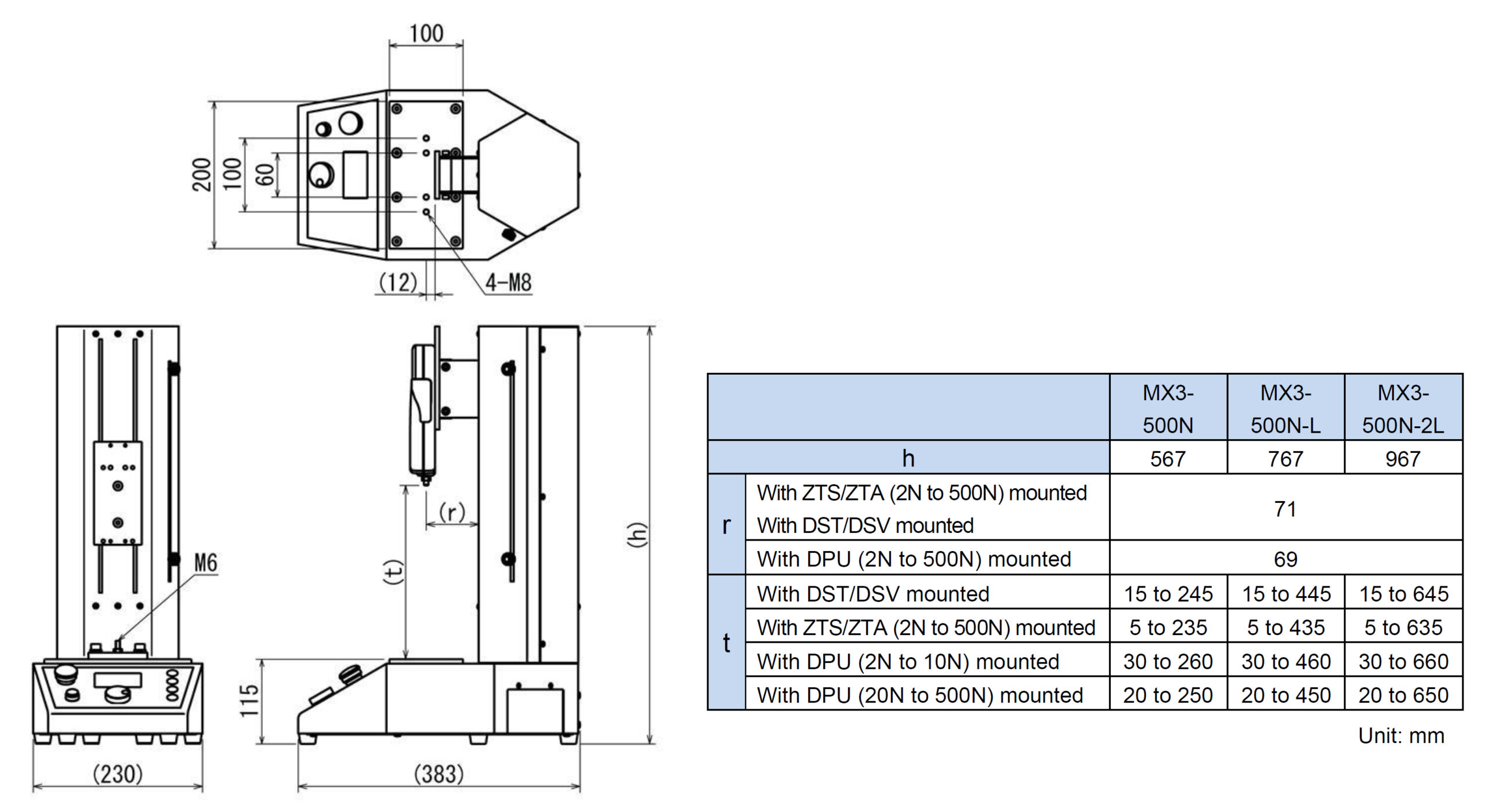
Caractéristiques techniques de la Machine de test MX-3
- Capacité : 500N (50 kgf)
- Longueur maxi d’échantillon série ZT montée sur banc :
- 235 mm version standard
- 435 mm version L
- 635 mm version 2L
- Flexion à la charge maximale : <0,5 mm (<1 mm version L, <2 mm version 2L)
- Vitesse de déplacement standard (autres vitesses sur demande) : 10–300 mm/min (réglage par pas de 0,5 mm/min)
- Capteurs qui peuvent être combinés : Dynamomètres numériques (ZTS, ZTA, DST, DSV) et cellules de force DPU (jusqu’à 500 N)
- Contrôle : Bouton d’arrêt d’urgence, contrôle de la charge & prévention de surcharge (avec dynamomètre compatible + câble dédié CB-528 ou CB-718)
- Dispositifs de sécurité : Fin de course haute/basse, bouton d’arrêt d’urgence, verrouillage des réglages par mot de passe
- Dimensions L × l × H (mm) : 220 × 380 × 567
- Poids : Env. 17 Kg
- Alimentation : AC 100–240 V, 50/60 Hz
- Logiciel inclus : CS Test Preset Builder (configuration des tests via PC)
Points Forts de l’appareil d’essai vertical MX3:
- L’uniformité de la vitesse, la maîtrise de la direction
de la force et de la course, permet des mesures de
force hautement reproductibles. - Très rigide : 0,5 mm maxi (hauteur standard)
- L’utilisation avec un dynamomètre compatible
permet de contrôler le fonctionnement (arrêt,
inversion, maintien de la charge, etc.) par la valeur de
la force. - L’enregistrement de l’utilisateur et du produit avec
IMADA Connected permet de télécharger le logiciel de
pilotage du banc.



